Page top

Industrial Automation

Industrial Automation

Discontinued On Mar. 2020

M7E (14 mm)

Digital Display (14 mm)

M7E (14 mm)

New Models with Blanking Function Added to the Series

* Information in this page is a reference that you created on the basis of information in the product catalog before the end of production, may be different from the current situation, such as goods for / supported standards options / price / features of the product. Before using, please check the compatibility and safety system.

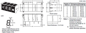
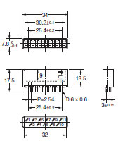
(Unit: mm)

M7E-01[][][][]2

M7E (14 mm) Dimensions 1

Accessories (Order Separately)

End Plate

M7E-012M(-1)

M7E (14 mm) Dimensions 4

Spacer

M7E-012PA(-1)

M7E (14 mm) Dimensions 6

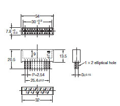
Connector

NRT-C Soldered Terminal

M7E (14 mm) Dimensions 8

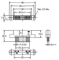
NRT-CN Soldered Terminal

M7E (14 mm) Dimensions 9

NRT-CP PCB Terminal

M7E (14 mm) Dimensions 10

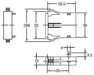
Face Plate

• The required face plate is used with the Unit Display Unit, which incorporates a surface-lighting LED.
• The following face plates are available. When ordering the M7E-01U[]2-[*], add the suffix according to your
    requirement.
• Custom face plates can be made.

M7E (14 mm) Dimensions 11 N7E_Dim

Character Dimensions

(Unit: mm)

M7E (14 mm) Dimensions 12

Example of Dimensions

M7E (14 mm) Dimensions 13