Page top

Industrial Automation

Industrial Automation

Discontinued On Mar. 2018

CPM1A-DRT21

I/O Link Unit

CPM1A-DRT21

I/O Link Unit for CPM2A/CPM1A PLCs

* Information in this page is a reference that you created on the basis of information in the product catalog before the end of production, may be different from the current situation, such as goods for / supported standards options / price / features of the product. Before using, please check the compatibility and safety system.

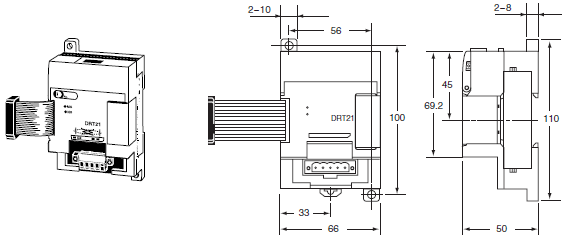
(Unit: mm)

CPM1A-DRT21

CPM1A-DRT21 Dimensions 1

Note: A terminal block is provided with the Unit.