Micro Displacement Sensor
* Information in this page is a reference that you created on the basis of information in the product catalog before the end of production, may be different from the current situation, such as goods for / supported standards options / price / features of the product. Before using, please check the compatibility and safety system.
last update: February 4, 2013
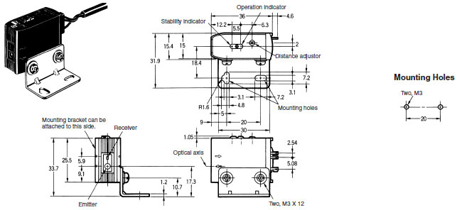
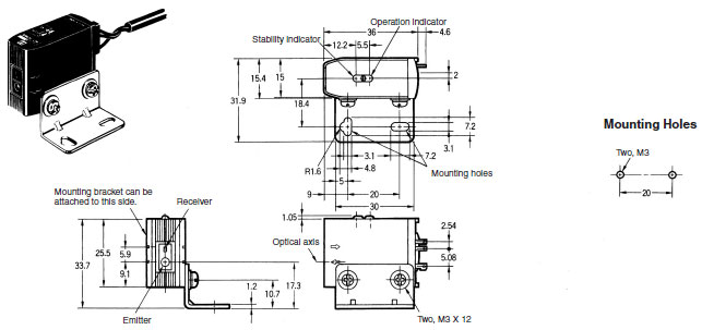
(Unit: mm)
The following products are provided with the Sensors. The products can also be purchased separately.
last update: February 4, 2013