Page top

Industrial Automation

Industrial Automation

Discontinued On Mar. 2019

E5ZN

Modular Temperature Controller

E5ZN

New DIN Track Mounting Temperature Controller

* Information in this page is a reference that you created on the basis of information in the product catalog before the end of production, may be different from the current situation, such as goods for / supported standards options / price / features of the product. Before using, please check the compatibility and safety system.

(Unit: mm)

E5ZN-2[][][][]03[]-FLK Connected to E5ZN-SCT24S-500

E5ZN Dimensions 1

E5ZN-2[][][]03[]-FLK Connected to E5ZN-SCT18S-500

E5ZN Dimensions 2

Current Transformer (Order Separately)

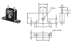
E54-CT1

E5ZN Dimensions 4

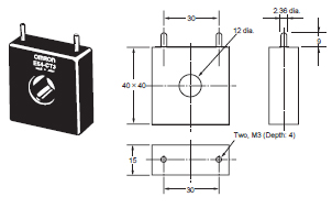
E54-CT3

E5ZN Dimensions 5

E54-CT3 Accessories

E5ZN Dimensions 6

Terminal Cover (Order Separately)

E53-COV12

E5ZN Dimensions 8

E53-COV13

E5ZN Dimensions 9

Setting Display Unit

E5ZN-SDL *

E5ZN Dimensions 11

* Production was discontinued.

E5ZN-SDL Wiring Sockets

Front-connecting Sockets

P2CF-11 (Standard Model)

E5ZN Dimensions 14

P2F-11-E (with Finger Protection)

E5ZN Dimensions 15

Back-connecting Sockets

P3GA-11 (Standard Model)

E5ZN Dimensions 17

Terminal Cover

Y92A-48G

E5ZN Dimensions 19