Page top

Industrial Automation

Industrial Automation

Discontinued On Mar. 2018

ES2-HB / THB

Humidity Sensor, Temperature/Humidity Sensor

ES2-HB / THB

Detect Humidity within an Accuracy of ±3% in a Compact Body. Controller Set Provides Superior Humidity Control and Temperature/Humidity Control.

* Information in this page is a reference that you created on the basis of information in the product catalog before the end of production, may be different from the current situation, such as goods for / supported standards options / price / features of the product. Before using, please check the compatibility and safety system.

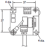
(Unit: mm)

ES2-HB Humidity Sensor
ES2-THB Temperature/Humidity Sensor

ES2-HB / THB Dimensions 1

Cover

ES2-HB / THB Dimensions 2

ES2-M Humidity Sensor Module

ES2-HB / THB Dimensions 3

Note: Firmly insert the connector all the way in when mounting the ES2-M to the Sensor.