Page top

Industrial Automation

Industrial Automation

Discontinued On Mar. 2015

V400-R1

Ultra-small multi code reader

V400-R1

Multi-code reading that automatically recognizes major paper/label 1D and 2D codes

* Information in this page is a reference that you created on the basis of information in the product catalog before the end of production, may be different from the current situation, such as goods for / supported standards options / price / features of the product. Before using, please check the compatibility and safety system.

(Unit: mm)

Multi Code Reader

Front view type
V400-R1CF

V400-R1 Dimensions 3 V400-R1CF_Dim

Side view type
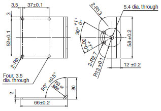
V400-R1CS

V400-R1 Dimensions 5 V400-R1CS_Dim

Mounting Bracket

V400-R1 Dimensions 6 Mounting Bracket_Dim

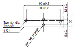
Mounting Base

V400-R1 Dimensions 7 Mounting Base_Dim