Compact Photoelectric Sensor with Built-in Amplifier
last update: October 1, 2024
(Unit: mm)
Tolerance class IT16 applies to dimensions in this data sheet unless otherwise specified.
* Models numbers for Through-beam Sensors (E3Z-T[][]) are for sets that include both the Emitter and Receiver.
The model number of the Emitter is expressed by adding "-L" to the set model number (example: E3Z-T61-L-UL 2M), the model number of the Receiver, by adding "-D" (example: E3Z-T61-D-UL 2M.) Refer to Ordering Information to confirm model numbers for Emitter and Receivers.
Standard Model
E3Z-T61(A)/T62
E3Z-T81(A)/T82
Laser Model
E3Z-LT61/LT81
IO-Link Model
E3Z-T81-IL[]
Standard Model
E3Z-T66(A)/T67
E3Z-T86(A)/T87
Laser Model
E3Z-LT66/LT86
IO-Link Model
E3Z-T86-IL[]
Standard Model
E3Z-R61/R81
E3Z-D61/D62/D81/D82
E3Z-L61/L63/L81/L83
E3Z-B61/B62/B81/B82
Laser Model
E3Z-LR61/LR81
IO-Link Model
E3Z-R81-IL[]
E3Z-D82-IL[]
E3Z-L81-IL[]
Standard Model
E3Z-R66/R86
E3Z-D66/D67/D86/D87
E3Z-L66/L68/L86/L88
E3Z-B66/B67/B86/B87
Laser Model
E3Z-LR66/LR86
IO-Link Model[]
E3Z-R86-IL[]
E3Z-D87-IL[]
E3Z-L86-IL[]
Standard Model
E3Z-LS61/LS63
E3Z-LS81/LS83
Laser Model
E3Z-LL61/LL63
E3Z-LL81/LL83
Standard Model
E3Z-LS66/LS68
E3Z-LS86/LS88
Laser Model
E3Z-LL66/LL68
E3Z-LL86/LL88
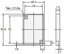
E39-S65A
E39-S65B
E39-S65C
E39-S65D
E39-S65E
E39-S65F
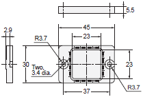
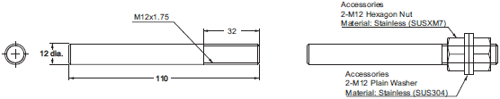
E39-R1
E39-R1S
Materials
Reflective surface: Acrylic
Rear surface: ABS
Materials
Reflective surface: Acrylic
Rear surface: ABS
Materials
Reflector: Polycarbonate (surface)
Acrylic (interior)
Frame: ABS
For details, refer to on the E39-L/E39-S/E39-R information available on the OMRON website.
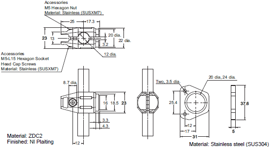
Note: Accessories 2-M3-L10 Cross Recessed Pan Head Screws (Attached to SW+JIS)
Material: Stainless steel (SUS304)
Material: Stainless steel (SUS304)
last update: October 1, 2024