Page top

Industrial Automation

Industrial Automation

FHV7-AI Series

AI Detection Camera

FHV7-AI Series

AI Vision Made Easy: Smarter Detection, Simple Setup

(Unit: mm)

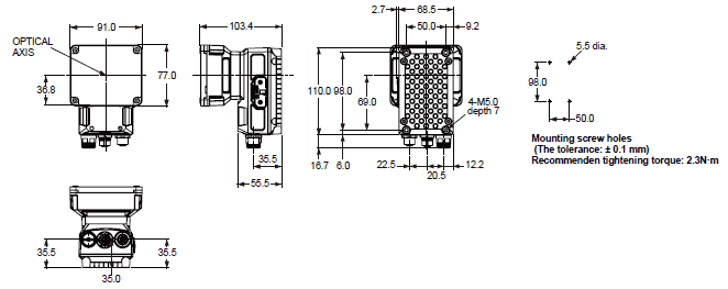
AI Detection Cameras

FHV7X-C016-S[][]-W-01

FHV7-AI Series Dimensions 2

Cables

I/O cable (Bend resistant, straight)
FHV-VDB2 []M

FHV7-AI Series Dimensions 4

I/O cable (Bend resistant, right angle)
FHV-VDLB2 []M

FHV7-AI Series Dimensions 5

Ethernet cable (Bend resistant, straight)
FHV-VNB2 []M

FHV7-AI Series Dimensions 6

Ethernet cable (Bend resistant, right angle)
FHV-VNLB2 []M

FHV7-AI Series Dimensions 7

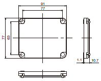
Smart Camera Data Unit

FHV-SDU10

FHV7-AI Series Dimensions 9

Smart Camera Data Unit Cables

Bending Resistance Cables (Straight)
FHV-VUB2 []M

FHV7-AI Series Dimensions 10

Bending Resistance Cables (Right angle)
FHV-VULB2 []M

FHV7-AI Series Dimensions 11

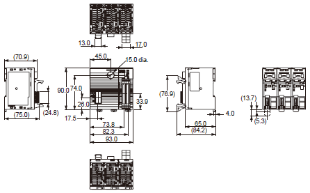
Touch Panel Monitor

NYE2A-20F11-[][]WR1[]00

FHV7-AI Series Dimensions 13