NX-series High-speed Counter Unit
last update: January 5, 2026
| Item | Specification | |
|---|---|---|
| Enclosure | Mounted in a panel | |
| Grounding methods | Ground to 100 Ω or less | |
| Operating
environment |
Ambient operating
temperature |
0 to 55°C |
| Ambient operating
humidity |
10 to 95% RH (with no icing or condensation) | |
| Atmosphere | Must be free from corrosive gases. | |
| Ambient storage
temperature |
-25 to 70°C (with no icing or condensation) | |
| Altitude | 2,000 m max. | |
| Pollution degree | Pollution degree 2 or less: Conforms to JIS B 3502 and IEC 61131-2. | |
| Noise immunity | Conforms to IEC 61000-4-4, 2 kV (power supply line) | |
| Overvoltage category | Category II: Conforms to JIS B 3502 and IEC 61131-2. | |
| EMC immunity level | Zone B | |
| Vibration resistance | Conforms to IEC 60068-2-6.
5 to 8.4 Hz with amplitude of 3.5 mm, 8.4 to 150 Hz, acceleration of 9.8 m/s2 100 min each in X, Y, and Z directions (10 sweeps of 10 min each = 100 min total) |
|
| Shock resistance | Conforms to IEC 60068-2-27, 147 m/s2, 3 times each in X, Y, and Z directions | |
| Applicable standards *1 | cULus: Listed (UL61010-2-201), ANSI/ISA 12.12.01, EU: EN 61131-2, RCM,
and KC (KC Registration) |
|
*1. Refer to the OMRON website (Models with Standards Certification) or ask your OMRON representative for the most recent applicable standards for each model.
| Unit name | High-speed Counter Units | Model | NX-CT2120 | |
|---|---|---|---|---|
| Number of channels | 2ch/6ch switching | External connection
terminals |
Screwless clamping terminal block
(16 terminals × 2) |
|
| I/O refreshing method | Free-Run refreshing, synchronous I/O refreshing, or task period prioritized refreshing | |||
| Indicators | TS LED, CH LED, A/B/Z LED, IN LED, OUT LED
![]() |
|||
| Input signals | Counter input terminal:
In 2ch Mode: A-phase 2, B-phase 2, Z-phase 2 In 6ch Mode: A-phase 6 External input terminal: 6 |
|||
| Output signal | External output terminal: 6 | |||
| Counter input format | Voltage input (5 V, 24 V) | |||
| Pulse Input Method | In 2ch Mode: Phase differential pulse (multiplication x1/2/4), pulse + direction, up and down pulse inputs
In 6ch Mode: Single-phase |
|||
| Counter range | -2147483648 to 2147483647 | |||
| Counter functions | ||||
| Counter Type | Ring counter or linear counter | |||
| Counter controls | Gate control, counter reset, and counter preset | |||
| Latching | In 2ch Mode: Counter Latch 2/ch
In 6ch Mode: Counter Latch 1/ch |
|||
| Measurements | Pulse rate measurement and pulse period measurement | |||
| Counter Input Specifications (Voltage input) | ||||
| Input voltage (24 V) | 20.4 to 28.8 VDC
(24 VDC +20%/-15%) |
Input voltage (5 V) | 4.5 to 5.5 VDC | |
| ON voltage/ON current (24 V) | 18.6 VDC min./3 mA min. | ON voltage/
ON current (5 V) |
4.5 VDC min./3 mA min. | |
| OFF voltage/OFF current (24 V) | 4.0 VDC max./1 mA max. | OFF voltage/
OFF current (5 V) |
1.5 VDC max./1 mA max. | |
| Input current (24 V) | 5.6 mA typical (24 VDC) | Input current (5 V) | 5.3 mA typical (5 VDC) | |
| Maximum response frequency | In 2ch Mode: A- and B-phase: Single-phase 250 kHz (phase differential pulse input at multiplication x4: 1 MHz), Z-phase: 250 kHz
In 6ch Mode: Single-phase 100 kHz |
|||
| Internal I/O common processing | NPN | |||
| I/O power supply method | Supply from the NX Bus | |||
| External power supply output (5 V) *1 | Output voltage: 4.9 to 5.25 VDC (5 VDC +5%/-2%)
Output current: 500 mA/channel min., 1 A/unit min. |
|||
| External Input Specifications | ||||
| Input voltage | 20.4 to 28.8 VDC
(24 VDC +20%/-15%) |
ON voltage/
ON current |
15 VDC min./3 mA min. | |
| Input current | 3.3 mA typical (24 VDC) | OFF voltage/
OFF current |
5.0 VDC max./1 mA max. | |
| ON/OFF response time | 1 μs max./1 μs max. | |||
| Internal I/O common processing | NPN | |||
| I/O power supply method | Supply from the NX Bus | |||
| External Output Specifications | ||||
| Rated voltage | 5 to 24 VDC | |||
| Load voltage range | 4.75 to 28.8 VDC | Residual voltage | 0.6 V max. | |
| Maximum value of load current | 0.5 A/point, 1.8 A/Unit | Leakage current | 0.1 mA max. | |
| ON/OFF response time | 1 μs max./3 μs max. (at load current 7 to 500 mA) | |||
| Internal I/O common processing | NPN | Load Short-circuit
Protection |
None | |
| I/O power supply method | External supply, 4.75 to 28.8 VDC | |||
| Current consumption from I/O power supply | 20 mA max. | |||
| Dimensions | 24 (W) × 100 (H) × 71 (D) | Isolation method | Photocoupler isolation | |
| Insulation resistance | 20 MΩ min. between isolated
circuits (at 100 VDC) |
Dielectric strength | 510 VAC between isolated circuits
for 1 minute at a leakage current of 5 mA max. |
|
| NX Unit power consumption | • Connected to a CPU Unit
1.45 W max. • Connected to Communications Coupler Unit 1.05 W max. |
Current consumption
from I/O power supply |
Unit current consumption: 20 mA max.
External 5 V power supply consumption: 0.25 × external 5 V power supply current consumption *2 |
|
| Weight | 140 g max. | |||
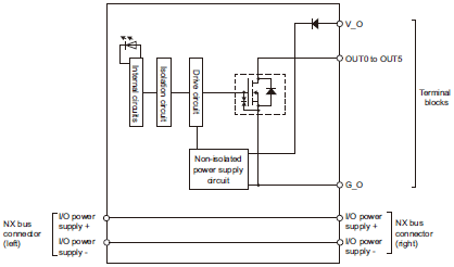
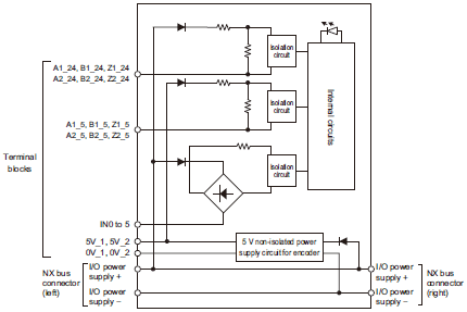
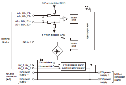
| Circuit layout | Count input, external input
![]() External output ![]() |
|||
| Installation orientation and restrictions | Refer to NX-series High-speed Counter Units User's Manual (Man. No. W647). | |||
| Terminal connection diagram | Refer to Terminal Block Arrangement and Wiring Example on Data Sheet. | |||
*1. When counter input is input voltage (24 V), external power supply (5 V) cannot be used.
*2. Use this formula to convert 5 V power supply current consumption to 24 V power supply current consumption.
| Unit name | High-speed Counter Units | Model | NX-CT2220 | |
|---|---|---|---|---|
| Number of channels | 2ch/6ch switching | External connection
terminals |
Screwless clamping terminal block
(16 terminals × 2) |
|
| I/O refreshing method | Free-Run refreshing, synchronous I/O refreshing, or task period prioritized refreshing | |||
| Indicators | TS LED, CH LED, A/B/Z LED, IN LED, OUT LED
![]() |
|||
| Input signals | Counter input terminal:
In 2ch Mode: A-phase 2, B-phase 2, Z-phase 2 In 6ch Mode: A-phase 6 External input terminal: 6 |
|||
| Output signal | External output terminal: 6 | |||
| Counter input format | Voltage input (5 V, 24 V) | |||
| Pulse Input Method | In 2ch Mode: Phase differential pulse (multiplication x1/2/4), pulse + direction, up and down pulse inputs
In 6ch Mode: Single-phase |
|||
| Counter range | -2147483648 to 2147483647 | |||
| Counter functions | ||||
| Counter Type | Ring counter or linear counter | |||
| Counter controls | Gate control, counter reset, and counter preset | |||
| Latching | In 2ch Mode: Counter Latch 2/ch
In 6ch Mode: Counter Latch 1/ch |
|||
| Measurements | Pulse rate measurement and pulse period measurement | |||
| Counter Input Specifications (Voltage input) | ||||
| Input voltage (24 V) | 20.4 to 28.8 VDC
(24 VDC +20%/-15%) |
Input voltage (5 V) | 4.5 to 5.5 VDC | |
| ON voltage/ON current (24 V) | 18.6 VDC min./3 mA min. | ON voltage/
ON current (5 V) |
4.5 VDC min./3 mA min. | |
| OFF voltage/OFF current (24 V) | 4.0 VDC max./1 mA max. | OFF voltage/
OFF current (5 V) |
1.5 VDC max./1 mA max. | |
| Input current (24 V) | 5.6 mA typical (24 VDC) | Input current (5 V) | 5.3 mA typical (5 VDC) | |
| Maximum response frequency | In 2ch Mode: A- and B-phase: Single-phase 250 kHz (phase differential pulse input at multiplication x4: 1 MHz), Z-phase: 250 kHz
In 6ch Mode: Single-phase 100 kHz |
|||
| Internal I/O common processing | PNP | |||
| I/O power supply method | Supply from the NX Bus | |||
| External power supply output (5 V) *1 | Output voltage: 4.9 to 5.25 VDC (5 VDC +5%/-2%)
Output current: 500 mA/channel min., 1 A/unit min. |
|||
| External Input Specifications | ||||
| Input voltage | 20.4 to 28.8 VDC
(24 VDC +20%/-15%) |
ON voltage/
ON current |
15 VDC min./3 mA min. | |
| Input current | 3.3 mA typical (24 VDC) | OFF voltage/
OFF current |
5.0 VDC max./1 mA max. | |
| ON/OFF response time | 1 μs max./1 μs max. | |||
| Internal I/O common processing | PNP | |||
| I/O power supply method | Supply from the NX Bus | |||
| External Output Specifications | ||||
| Rated voltage | 5 to 24 VDC | |||
| Load voltage range | 4.75 to 28.8 VDC | Residual voltage | 0.6 V max. | |
| Maximum value of load current | 0.5 A/point, 1.8 A/Unit | Leakage current | 0.1 mA max. | |
| ON/OFF response time | 1 μs max./3 μs max. (at load current 7 to 500 mA) | |||
| Internal I/O common processing | PNP | Load Short-circuit
Protection |
None | |
| I/O power supply method | External supply, 4.75 to 28.8 VDC | |||
| Current consumption from I/O power supply | 30 mA max. | |||
| Dimensions | 24 (W) × 100 (H) × 71 (D) | Isolation method | Photocoupler isolation | |
| Insulation resistance | 20 MΩ min. between isolated
circuits (at 100 VDC) |
Dielectric strength | 510 VAC between isolated circuits
for 1 minute at a leakage current of 5 mA max. |
|
| NX Unit power consumption | • Connected to a CPU Unit
1.45 W max. • Connected to Communications Coupler Unit 1.05 W max. |
Current consumption
from I/O power supply |
Unit current consumption: 20 mA max.
External 5 V power supply consumption: 0.25 × external 5 V power supply current consumption *2 |
|
| Weight | 140 g max. | |||
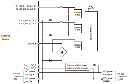
| Circuit layout | Count input, external input
![]() External output ![]() |
|||
| Installation orientation and restrictions | Refer to NX-series High-speed Counter Units User's Manual (Man. No. W647). | |||
| Terminal connection diagram | Refer to Terminal Block Arrangement and Wiring Example on Data Sheet. | |||
*1. When counter input is input voltage (24 V), external power supply (5 V) cannot be used.
*2. Use this formula to convert 5 V power supply current consumption to 24 V power supply current consumption.
| Unit name | High-speed Counter Units | Model | NX-CT2320 | |
|---|---|---|---|---|
| Number of channels | 2ch/6ch switching | External connection
terminals |
Screwless clamping terminal
block (16 terminals × 2) |
|
| I/O refreshing method | Free-Run refreshing, synchronous I/O refreshing, or task period prioritized refreshing | |||
| Indicators | TS LED, CH LED, A/B/Z LED, IN LED, OUT LED
![]() |
|||
| Input signals | Counter input terminal:
In 2ch Mode: A-phase 2, B-phase 2, Z-phase 2 In 6ch Mode: A-phase 6 External input terminal: 6 |
|||
| Output signal | External output terminal: 6 | |||
| Counter input format | Line receiver input | |||
| Pulse Input Method | In 2ch Mode: Phase differential pulse (multiplication x1/2/4), pulse + direction, up and down pulse inputs
In 6ch Mode: Single-phase |
|||
| Counter range | -2147483648 to 2147483647 | |||
| Counter functions | ||||
| Counter Type | Ring counter or linear counter | |||
| Counter controls | Gate control, counter reset, and counter preset | |||
| Latching | In 2ch Mode: Counter Latch 2/ch
In 6ch Mode: Counter Latch 1/ch |
|||
| Measurements | Pulse rate measurement and pulse period measurement | |||
| Counter Input Specifications (line receiver input) | ||||
| Input voltage | EIA standard RS-422-A
line driver levels |
High-level input
voltage |
VIT+: 0.1 V min. | |
| Input impedance | 120 Ω ±5% | Low-level input
voltage |
VIT-: -0.1 V max. | |
| Hysteresis voltage | Vhys (VIT+ - VIT-): 60 mV | |||
| Maximum response frequency | In 2ch Mode: A- and B-phase: Single-phase 1 MHz (phase differential pulse input x4: 4 MHz), Z-phase: 1 MHz
In 6ch Mode: Single-phase 100 kHz |
|||
| External power supply output (5 V) *1 | Output voltage: 4.9 to 5.25 VDC (5 VDC +5%/-2%)
Output current: 500 mA/channel min., 1 A/unit min. |
|||
| External Input Specifications | ||||
| Input voltage | 20.4 to 28.8 VDC
(24 VDC +20%/-15%) |
ON voltage/
ON current |
15 VDC min./3 mA min. | |
| Input current | 3.3 mA typical (24 VDC) | OFF voltage/
OFF current |
5.0 VDC max./1 mA max. | |
| ON/OFF response time | 1 μs max./1 μs max. | |||
| Internal I/O common processing | NPN | |||
| I/O power supply method | Supply from the NX Bus | |||
| External Output Specifications | ||||
| Rated voltage | 5 to 24 VDC | |||
| Load voltage range | 4.75 to 28.8 VDC | Residual voltage | 0.6 V max. | |
| Maximum value of load current | 0.5 A/point, 1.8 A/Unit | Leakage current | 0.1 mA max. | |
| ON/OFF response time | 1 μs max./3 μs max. (at load current 7 to 500 mA) | |||
| Internal I/O common processing | NPN | Load Short-circuit
Protection |
None | |
| I/O power supply method | External supply, 4.75 to 28.8 VDC | |||
| Current consumption from I/O power supply | 20 mA max. | |||
| Dimensions | 24 (W) × 100 (H) × 71 (D) | Isolation method | Photocoupler isolation | |
| Insulation resistance | 20 MΩ min. between
isolated circuits (at 100 VDC) |
Dielectric strength | 510 VAC between isolated circuits
for 1 minute at a leakage current of 5 mA max. |
|
| NX Unit power consumption | • Connected to a CPU Unit
1.45 W max. • Connected to Communications Coupler Unit 1.1 W max. |
Current consumption
from I/O power supply |
Unit current consumption: 30 mA max.
External 5 V power supply consumption: 0.25 × external 5 V power supply current consumption *2 |
|
| Weight | 140 g max. | |||
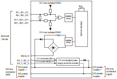
| Circuit layout | Count input, external input
![]() External output ![]() |
|||
| Installation orientation and restrictions | Refer to NX-series High-speed Counter Units User's Manual (Man. No. W647). | |||
| Terminal connection diagram | Refer to Terminal Block Arrangement and Wiring Example on Data Sheet. | |||
*1. External power supply (5 V) may be unavailable due to installation orientation or ambient operating temperature. Refer to NX-series High-speed Counter Units User's Manual (Man. No. W647).
*2. Use this formula to convert 5 V power supply current consumption to 24 V power supply current consumption.
| Unit name | High-speed Counter Units | Model | NX-CT2420 | |
|---|---|---|---|---|
| Number of channels | 2ch/6ch switching | External connection
terminals |
Screwless clamping terminal
block (16 terminals × 2) |
|
| I/O refreshing method | Free-Run refreshing, synchronous I/O refreshing, or task period prioritized refreshing | |||
| Indicators | TS LED, CH LED, A/B/Z LED, IN LED, OUT LED
![]() |
|||
| Input signals | Counter input terminal:
In 2ch Mode: A-phase 2, B-phase 2, Z-phase 2 In 6ch Mode: A-phase 6 External input terminal: 6 |
|||
| Output signal | External output terminal: 6 | |||
| Counter input format | Line receiver input | |||
| Pulse Input Method | In 2ch Mode: Phase differential pulse (multiplication x1/2/4), pulse + direction, up and down pulse inputs
In 6ch Mode: Single-phase |
|||
| Counter range | -2147483648 to 2147483647 | |||
| Counter functions | ||||
| Counter Type | Ring counter or linear counter | |||
| Counter controls | Gate control, counter reset, and counter preset | |||
| Latching | In 2ch Mode: Counter Latch 2/ch
In 6ch Mode: Counter Latch 1/ch |
|||
| Measurements | Pulse rate measurement and pulse period measurement | |||
| Counter Input Specifications (line receiver input) | ||||
| Input voltage | EIA standard RS-422-A
line driver levels |
High-level input
voltage |
VIT+: 0.1 V min. | |
| Input impedance | 120 Ω ±5% | Low-level input
voltage |
VIT-: -0.1 V max. | |
| Hysteresis voltage | Vhys (VIT+ - VIT-): 60 mV | |||
| Maximum response frequency | In 2ch Mode: A- and B-phase: Single-phase 1 MHz (phase differential pulse input x4: 4 MHz), Z-phase: 1 MHz
In 6ch Mode: Single-phase 100 kHz |
|||
| External power supply output (5 V) *1 | Output voltage: 4.9 to 5.25 VDC (5 VDC +5%/-2%)
Output current: 500 mA/channel min., 1 A/unit min. |
|||
| External Input Specifications | ||||
| Input voltage | 20.4 to 28.8 VDC
(24 VDC +20%/-15%) |
ON voltage/
ON current |
15 VDC min./3 mA min. | |
| Input current | 3.3 mA typical (24 VDC) | OFF voltage/
OFF current |
5.0 VDC max./1 mA max. | |
| ON/OFF response time | 1 μs max./1 μs max. | |||
| Internal I/O common processing | PNP | |||
| I/O power supply method | Supply from the NX Bus | |||
| External Output Specifications | ||||
| Rated voltage | 5 to 24 VDC | |||
| Load voltage range | 4.75 to 28.8 VDC | Residual voltage | 0.6 V max. | |
| Maximum value of load current | 0.5 A/point, 1.8 A/Unit | Leakage current | 0.1 mA max. | |
| ON/OFF response time | 1 μs max./3 μs max. (at load current 7 to 500 mA) | |||
| Internal I/O common processing | PNP | Load Short-circuit
Protection |
None | |
| I/O power supply method | External supply, 4.75 to 28.8 VDC | |||
| Current consumption from I/O power supply | 30 mA max. | |||
| Dimensions | 24 (W) × 100 (H) × 71 (D) | Isolation method | Photocoupler isolation | |
| Insulation resistance | 20 MΩ min. between
isolated circuits (at 100 VDC) |
Dielectric strength | 510 VAC between isolated circuits
for 1 minute at a leakage current of 5 mA max. |
|
| NX Unit power consumption | • Connected to a CPU Unit
1.45 W max. • Connected to Communications Coupler Unit 1.05 W max. |
Current consumption
from I/O power supply |
Unit current consumption: 30 mA max.
External 5 V power supply consumption: 0.25 × external 5 V power supply current consumption *2 |
|
| Weight | 140 g max. | |||
| Circuit layout | Count input, external input
![]() External output ![]() |
|||
| Installation orientation and restrictions | Refer to NX-series High-speed Counter Units User's Manual (Man. No. W647). | |||
| Terminal connection diagram | Refer to Terminal Block Arrangement and Wiring Example on Data Sheet. | |||
*1. External power supply (5 V) may be unavailable due to installation orientation or ambient operating temperature. Refer to NX-series High-speed Counter Units User's Manual (Man. No. W647).
*2. Use this formula to convert 5 V power supply current consumption to 24 V power supply current consumption.
last update: January 5, 2026