Page top

Industrial Automation

Industrial Automation

Discontinued On Mar. 2017

E3X-SD

Simple Fiber Amplifier

E3X-SD

The Standard for Fiber Amplifiers with Simple Operation and High Performance

* Information in this page is a reference that you created on the basis of information in the product catalog before the end of production, may be different from the current situation, such as goods for / supported standards options / price / features of the product. Before using, please check the compatibility and safety system.

(Unit: mm)

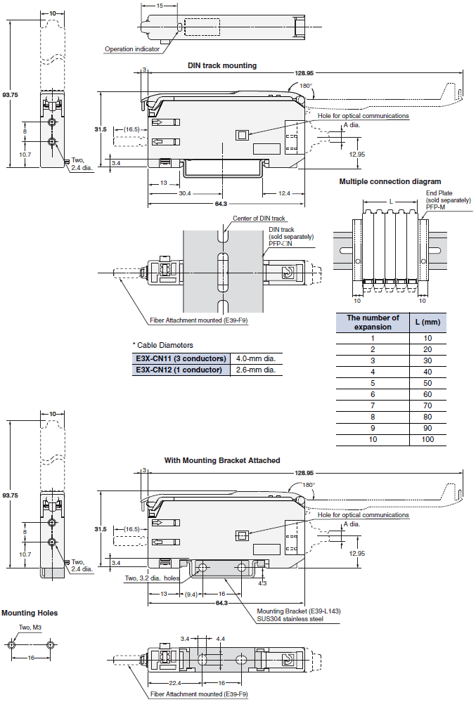
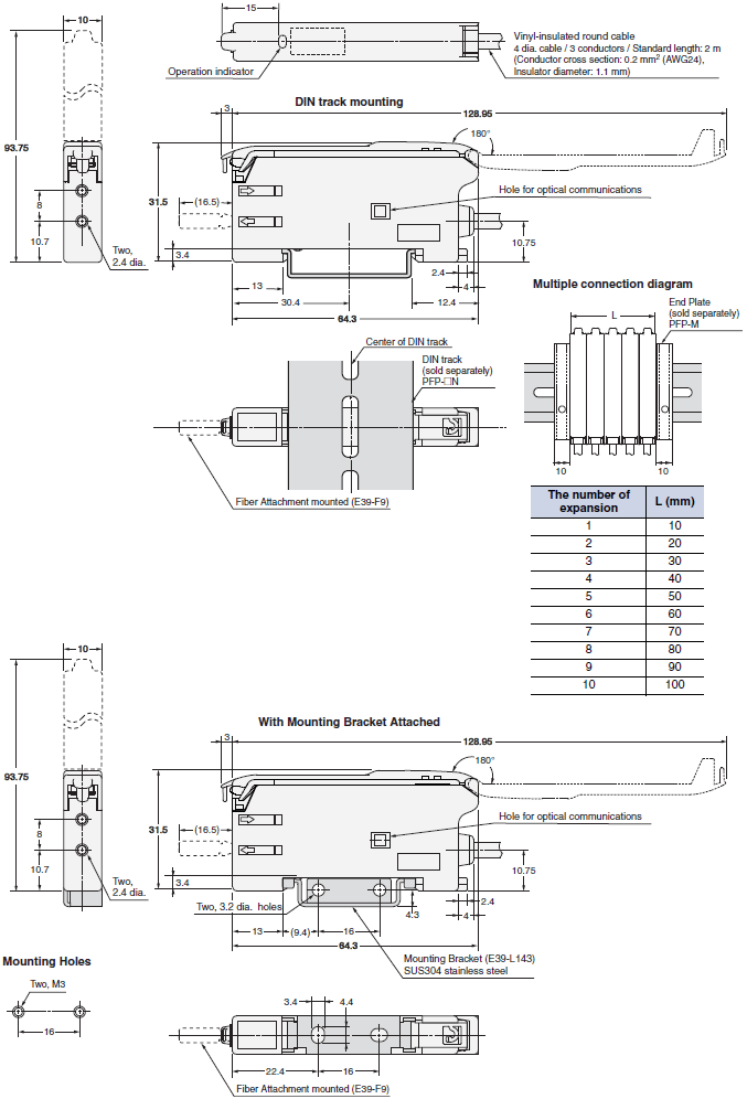
Amplifier Units

Amplifier Units with Cables
E3X-SD11
E3X-SD41

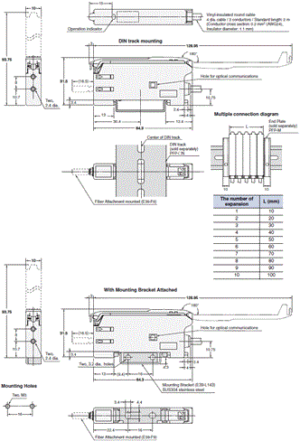
E3X-SD Dimensions 2

Amplifier Units with Connectors
E3X-SD6
E3X-SD8

E3X-SD Dimensions 3

Amplifier Unit Connectors

Master Connector
E3X-CN11

E3X-SD Dimensions 5

Slave Connector
E3X-CN12

E3X-SD Dimensions 6

Accessories (Order Separately)

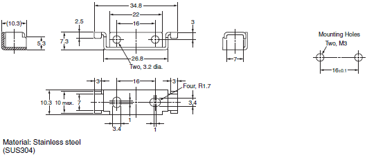
Mounting Brackets
E39-L143

E3X-SD Dimensions 8

End Plates
PFP-M

E3X-SD Dimensions 9