Simple Solid State Contactors
* Information in this page is a reference that you created on the basis of information in the product catalog before the end of production, may be different from the current situation, such as goods for / supported standards options / price / features of the product. Before using, please check the compatibility and safety system.
last update: November 6, 2012
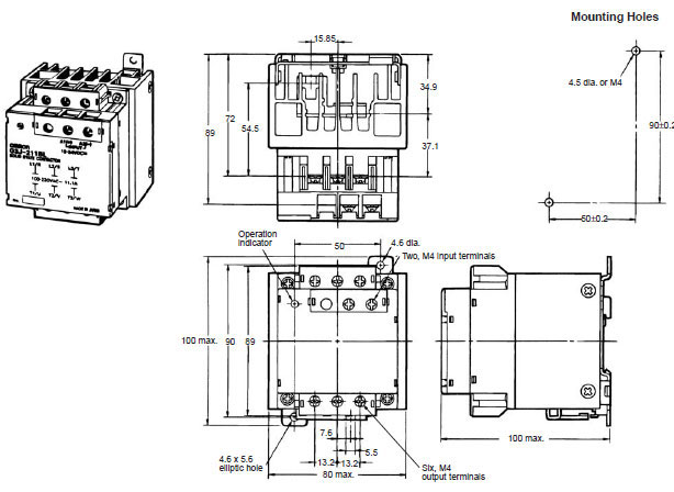
(Unit: mm)
last update: November 6, 2012