Page top

Industrial Automation

Industrial Automation

MicroHAWK V430-F / V420-F / V330-F / V320-F

Autofocus Multicode Reader/Multicode Reader

MicroHAWK V430-F / V420-F / V330-F / V320-F

Autofocus to read codes at different distances.

(Unit: mm)

MicroHAWK V430-F

V430-F

MicroHAWK V430-F / V420-F / V330-F / V320-F Dimensions 2

V430-F with Alternate Optics and Illumination

MicroHAWK V430-F / V420-F / V330-F / V320-F Dimensions 3

L Bracket Adjustable Angle Mounting Kit
V430-AM0

MicroHAWK V430-F / V420-F / V330-F / V320-F Dimensions 4

¼-20 Camera Mounting Block Kit
V430-AM1

MicroHAWK V430-F / V420-F / V330-F / V320-F Dimensions 5

4” (102 mm) Ram Mount Stand
V430-AM2

MicroHAWK V430-F / V420-F / V330-F / V320-F Dimensions 6

MS-4 / MINI to V/F4XX-F Adapter Plate
V430-AM5

MicroHAWK V430-F / V420-F / V330-F / V320-F Dimensions 7

Smart Ring Light to V/F4XX-F Mounting Bracket
V430-AM6

MicroHAWK V430-F / V420-F / V330-F / V320-F Dimensions 8

QX / Vision HAWK to V/F4XX-F Adapter Plate
V430-AM7

MicroHAWK V430-F / V420-F / V330-F / V320-F Dimensions 9

Front Window Installation Kit
V430-AF10
Diffuser Installation Kit
V430-AF11
Polarizer Installation Kit
V430-AF12
YAG Filter Installation Kit
V430-AF4
ESD-Safe Window Installation Kit
V430-AF5

MicroHAWK V430-F / V420-F / V330-F / V320-F Dimensions 10

Right Angle Mirror Installation Kit
V430-AF3

MicroHAWK V430-F / V420-F / V330-F / V320-F Dimensions 11

Red Filter Installation Kit
V430-AF6
Blue Filter Installation Kit
V430-AF7
Red Light Installation Kit
V430-ALR
White Light Installation Kit
V430-ALW
Blue Light Installation Kit
V430-ALB
IR Light Installation Kit
V430-ALI

MicroHAWK V430-F / V420-F / V330-F / V320-F Dimensions 12

Front Window Installation Kit
V430-AF0R
Diffuser Installation Kit
V430-AF1R
Polarizer Installation Kit
V430-AF2R
Red Ring Light Installation Kit
V430-ALRR
White Ring Light Installation Kit
V430-ALWR
Blue Ring Light Installation Kit
V430-ALBR
IR Ring Light Installation Kit
V430-ALIR

MicroHAWK V430-F / V420-F / V330-F / V320-F Dimensions 13

QX-1 Interconnect Module – Power, Trigger, Smart Light Control Breakout
98-000103-02

MicroHAWK V430-F / V420-F / V330-F / V320-F Dimensions 14

QX-1 Photo Sensor, M12 4-Pin Plug, NPN – 2 Meters – Light ON / Dark ON
99-9000016-01

MicroHAWK V430-F / V420-F / V330-F / V320-F Dimensions 15

QX-1 Field-Wireable M12 4-Pin Plug for Any Trigger Source or Photo Sensor – Screw Terminals
98-9000239-01

MicroHAWK V430-F / V420-F / V330-F / V320-F Dimensions 16

Power Supply, 100-240VAC, +24VDC, M12 12-Pin Socket – 1 Meter – U.S. / Euro Plug
97-000012-01

MicroHAWK V430-F / V420-F / V330-F / V320-F Dimensions 17

Omron Microscan Smart Light Series – Integrated Power and Strobe Control Module
See Omron Microscan Smart Light Offering – Ring, DOAL, Large Area Lighting

MicroHAWK V430-F / V420-F / V330-F / V320-F Dimensions 18

Ethernet Communication Cables – Straight Connectors – 1 Meter, 3 Meters, or 5 Meters
M12 Plug on Camera to RJ45 Connector
V430-WE-1M
V430-WE-3M
V430-WE-5M

MicroHAWK V430-F / V420-F / V330-F / V320-F Dimensions 19

Ethernet Communication Cables – Right Angle M12 Connectors – 3 Meters
M12 Plug on Camera to RJ45 Connector
V430-WELU-3M (Right Angle Up)*
V430-WELD-3M (Right Angle Down)*

MicroHAWK V430-F / V420-F / V330-F / V320-F Dimensions 20

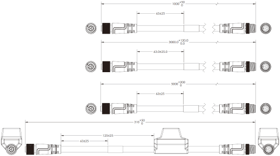
Camera to QX-1 Interconnect Cables – 1 Meter, 3 Meters, or 5 Meters
M12 Socket to M12 Plug
QX-1 is used as breakout module for common IO signals and power.
V430-WQ-1M
V430-WQ-3M
V430-WQ-5M
M12 Socket to M12 Plug, with Power Filter – 300 mm
V430-WQF-1M

MicroHAWK V430-F / V420-F / V330-F / V320-F Dimensions 21

QX-1 M12 to Smart Light Power and Strobe Control Cables – 3 Meters
M12 Plug on QX-1 to 5 Pin Socket on Light
61-000204-01 (Continuous Power)
61-000218-01 (Strobe Control)

MicroHAWK V430-F / V420-F / V330-F / V320-F Dimensions 22

Y Cable, Camera/Power and Smart Light Power (Continuous On) – 1 Meter
61-9000135-01
Y Cable, Camera/Power and Smart Light Strobe Control – 1 Meter
61-9000137-01

MicroHAWK V430-F / V420-F / V330-F / V320-F Dimensions 23

M12 to Flying Leads Cable, Straight Power, IO, RS-232, USB – 3 Meters or 5 Meters
V430-W8-3M
V430-W8-5M

MicroHAWK V430-F / V420-F / V330-F / V320-F Dimensions 24

M12 to Flying Leads Cable, with Power Filter – 3 Meters or 5 Meters
V430-W8F-3M
V430-W8F-5M

MicroHAWK V430-F / V420-F / V330-F / V320-F Dimensions 25

M12 to Flying Leads Cable Right Angle Up Power, IO, RS232, USB – 3 Meters
V430-W8LU-3M

MicroHAWK V430-F / V420-F / V330-F / V320-F Dimensions 26

M12 to Flying Leads Cable Right Angle Up, with Power Filter – 3 Meters
V430-W8LUF-3M

MicroHAWK V430-F / V420-F / V330-F / V320-F Dimensions 27

M12 to Flying Leads Cable Right Angle Down Power, IO, RS232, USB – 3 Meters
V430-W8LD-3M

MicroHAWK V430-F / V420-F / V330-F / V320-F Dimensions 28

M12 to Flying Leads Cable Right Angle Down, with Power Filter – 3 Meters
V430-W8LDF-3M

MicroHAWK V430-F / V420-F / V330-F / V320-F Dimensions 29

M12 to RS-232 Breakout – 1 Meter or 3 Meters
V430-WR-1M
V430-WR-3M

MicroHAWK V430-F / V420-F / V330-F / V320-F Dimensions 30

Camera to QX-1 Interconnect Cables with RS-232 Breakout – 2.7 Meters
V430-WQR-3M

MicroHAWK V430-F / V420-F / V330-F / V320-F Dimensions 31

Camera to QX-1 Interconnect Cables with USB Keyboard Wedge Breakout – 2.7 Meters
V430-WQK-3M

MicroHAWK V430-F / V420-F / V330-F / V320-F Dimensions 32

MicroHAWK V420-F

V420-F

MicroHAWK V430-F / V420-F / V330-F / V320-F Dimensions 34

L Bracket Adjustable Angle Mounting Kit
V430-AM0

MicroHAWK V430-F / V420-F / V330-F / V320-F Dimensions 35

¼-20 Camera Mounting Block Kit
V430-AM1

MicroHAWK V430-F / V420-F / V330-F / V320-F Dimensions 36

4” (102 mm) Ram Mount Stand
V430-AM2

MicroHAWK V430-F / V420-F / V330-F / V320-F Dimensions 37

MS-4 / MINI to V/F4XX-F Adapter Plate
V430-AM5

MicroHAWK V430-F / V420-F / V330-F / V320-F Dimensions 38

Smart Ring Light to V/F4XX-F Mounting Bracket
V430-AM6

MicroHAWK V430-F / V420-F / V330-F / V320-F Dimensions 39

QX / Vision HAWK to V/F4XX-F Adapter Plate
V430-AM7

MicroHAWK V430-F / V420-F / V330-F / V320-F Dimensions 40

Front Window Installation Kit
V430-AF10
Diffuser Installation Kit
V430-AF11
Polarizer Installation Kit
V430-AF12
YAG Filter Installation Kit
V430-AF4
ESD-Safe Window Installation Kit
V430-AF5

MicroHAWK V430-F / V420-F / V330-F / V320-F Dimensions 41

Right Angle Mirror Installation Kit
V430-AF3

MicroHAWK V430-F / V420-F / V330-F / V320-F Dimensions 42

Red Filter Installation Kit
V430-AF6
Blue Filter Installation Kit
V430-AF7
Red Light Installation Kit
V430-ALR
White Light Installation Kit
V430-ALW
Blue Light Installation Kit
V430-ALB
IR Light Installation Kit
V430-ALI

MicroHAWK V430-F / V420-F / V330-F / V320-F Dimensions 43

USB Breakout Cable – 1 Meter
V420-WUB-1M

MicroHAWK V430-F / V420-F / V330-F / V320-F Dimensions 44

Kit – USB Breakout Cable with External Power Input (1 Meter) and Power Supply (2 Meters)
V420-AC1

MicroHAWK V430-F / V420-F / V330-F / V320-F Dimensions 45

Kit – RS-232 Breakout Cable (DB-15) with External Power Input (1 Meter) and Power Supply (2 Meters)
V420-AC0

MicroHAWK V430-F / V420-F / V330-F / V320-F Dimensions 46

Kit – USB, IO, and Power Breakout Cable (1 Meters) and Power Supply (2 Meters)
V420-AC2

MicroHAWK V430-F / V420-F / V330-F / V320-F Dimensions 47

Cable – RS-232, USB, IO, and Power Breakout – 1 Meter
V420-WRU8X-1M

MicroHAWK V430-F / V420-F / V330-F / V320-F Dimensions 48

MicroHAWK V330-F

V330-F

MicroHAWK V430-F / V420-F / V330-F / V320-F Dimensions 50

Diffuser Kit – Peel and Stick Accessory. Exterior to unit.
V330-AF1

MicroHAWK V430-F / V420-F / V330-F / V320-F Dimensions 51

Polarizer Kit – Peel and Stick Accessory. Exterior to unit.
V330-AF2

MicroHAWK V430-F / V420-F / V330-F / V320-F Dimensions 52

Standard Ethernet Cables, In-Cabinet Use; Standard RJ45 Connectors on Both Ends; Green
XS6W-5PUR8SS100CM-G
XS6W-5PUR8SS300CM-G
XS6W-5PUR8SS500CM-G
XS6W-5PUR8SS1000CM-G
XS6W-5PUR8SS1500CM-G

MicroHAWK V430-F / V420-F / V330-F / V320-F Dimensions 53

Standard Ethernet Cables, Out-of-Cabinet Use; Rugged RJ45 Connectors on Both Ends; Light Blue
XS5W-T421-CMD-K
XS5W-T421-EMD-K
XS5W-T421-GMD-K
XS5W-T421-JMD-K
XS5W-T421-KMD-K

High Flex Ethernet Cables for Robot and Cable Tray Use; Rugged RJ45 Connectors on Both Ends; Light Blue
XS5W-T421-CMD-KR
XS5W-T421-EMD-KR
XS5W-T421-GMD-KR
XS5W-T421-JMD-KR
XS5W-T421-KMD-KR

MicroHAWK V430-F / V420-F / V330-F / V320-F Dimensions 54

MicroHAWK V320-F

V320-F

MicroHAWK V430-F / V420-F / V330-F / V320-F Dimensions 56

Diffuser Kit – Peel and Stick Accessory. Exterior to unit.
V330-AF1

MicroHAWK V430-F / V420-F / V330-F / V320-F Dimensions 57

Polarizer Kit – Peel and Stick Accessory. Exterior to unit.
V330-AF2

MicroHAWK V430-F / V420-F / V330-F / V320-F Dimensions 58

RJ50 to RS-232 and External Power, Straight – 2 Meters
V320-WRX-2M

MicroHAWK V430-F / V420-F / V330-F / V320-F Dimensions 59

RJ50 to RS-232 and External Power, Right Angle – 2 Meters
V320-WRXLR-2M

MicroHAWK V430-F / V420-F / V330-F / V320-F Dimensions 60

Power Supply for V320-WRX-2M and V320-WRXLR-2M – 2 Meters
97-9000006-01

MicroHAWK V430-F / V420-F / V330-F / V320-F Dimensions 61

RJ50 to Flying Leads, Straight – 3 Meters
V320-W8-3M

MicroHAWK V430-F / V420-F / V330-F / V320-F Dimensions 62

RJ50 to Flying Leads, Right Angle to the Right– 3 Meters
V320-W8LR-3M

MicroHAWK V430-F / V420-F / V330-F / V320-F Dimensions 63

Adapter V/F320-F to all V420-F Cable Accessories, RJ50 to DB-15 – 1 Meter
V320-WR-1M

MicroHAWK V430-F / V420-F / V330-F / V320-F Dimensions 64

Adapter V/F320-F to all V420-F Cable Accessories, Right Angle to the Right, RJ50 to DB-15 – 1 Meter
V320-WRLR-1M

MicroHAWK V430-F / V420-F / V330-F / V320-F Dimensions 65

USB Breakout Cable – 1 Meter
V420-WUB-1M

MicroHAWK V430-F / V420-F / V330-F / V320-F Dimensions 66

Kit – USB Breakout Cable with External Power Input (1 Meter) and Power Supply (2 Meters)
V420-AC1

MicroHAWK V430-F / V420-F / V330-F / V320-F Dimensions 67

Kit – RS-232 Breakout Cable (DB-15) with External Power Input (1 Meter) and Power Supply (2 Meters)
V420-AC0

MicroHAWK V430-F / V420-F / V330-F / V320-F Dimensions 68

Kit – USB, IO, and Power Breakout Cable (1 Meters) and Power Supply (2 Meters)
V420-AC2

MicroHAWK V430-F / V420-F / V330-F / V320-F Dimensions 69

Cable – RS-232, USB, IO, and Power Breakout – 1 Meter
V420-WRU8X-1M

MicroHAWK V430-F / V420-F / V330-F / V320-F Dimensions 70

Details of the form which isn't in this page see a Data Sheet (Q258-E1), please.